適于在建材、冶金、化工、倉儲等行業中對料倉、料斗、儲罐、反應釜、溶解槽等容器進行稱重、物料檢測等。
立即訂購熱線
021-62372669
產品特征
?大容量
?自重小
?采用不銹鋼焊接密封傳感器,防護等級IP68,可在各種惡劣環境下使用
?支撐螺栓,防止設備傾覆
?安裝簡單、快速
?維護方便,節約停機維護時間
?適用于惡劣環境下,大噸位槽罐的配料稱重控制
適用范圍
?容量:10,20,30,50,70,100,150,200,300
?載荷:靜載
?環境:防潮、防腐、防爆
?應用:平臺、立罐、槽罐
稱重模塊應用
?重量監測
?定量控制
?流量物位檢測
?散料積算
?測力
?檢重/分選/計數
?流量給料
?配料
技術參數

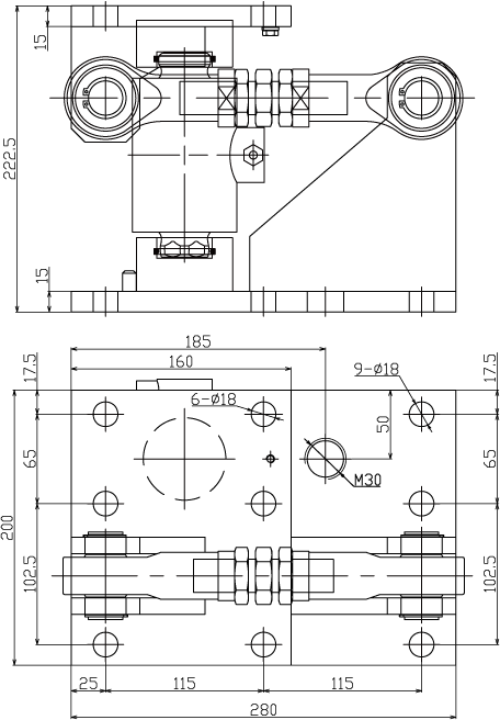
產品尺寸
產品安裝示意
